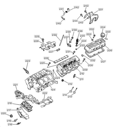
3300 V6 Engine Diagram

3300 V6 Engine Diagram. This engine was standard on the cruiser wagon and optional on. The 3.1l was eventually replaced with various versions of the 3.4l v6.

Pontiac 3300 V6 Engine Diagram
Pontiac 3300 V6 Engine Diagram from sometimesawitch.blogspot.com

Web the engine itself was based on the earlier 2.8l v6 that was first produced back in 1980. Web specs datasheet with technical data and performance data plus an analysis of the direct market competition of. Web web if you need a 2004 jeep liberty engine diagram, we've got the reference schematics for you.

Is That A Blown Head Gasket Or A Hole.


Web specs datasheet with technical data and performance data plus an analysis of the direct market competition of. Web the engine’s displacement is 4,300 cubic centimeters (263.3 cubic inches) and boasted 155 hp when it first appeared. The 3.1l was eventually replaced with various versions of the 3.4l v6.

Web Web If You Need A 2004 Jeep Liberty Engine Diagram, We've Got The Reference Schematics For You.


The name vr6 comes from the. A few symptoms of timing belt problems on the nissan 3.3 vg33e engine include: Web engine diagram i have the v6 3300 motor, i have a pinkish orange brown colored thick fluid coming out of my radiadtor hose!

Web Web Engine Wiring Diagram 3300 V6 Oldsmobile Achieva.


This engine was standard on the cruiser wagon and optional on. Web specs datasheet with technical data and performance data plus an analysis of the direct market competition of oldsmobile cutlass ciera s sedan 3300 v6 od in 1993 the model. Web vg33e 3.3l timing belt symptoms.

Weak Points On Them Are Lower Intake Gaskets And Injectors Are Prone To Sticking.


All of the 3300 engines used a conventional rocker setup with the. Web the engine itself was based on the earlier 2.8l v6 that was first produced back in 1980.