350 Warrior Engine Diagram

350 Warrior Engine Diagram. Web owner’s manual yfm350xr (c) warning this atv should not be ridden by anyone under 16 years of age. My next video will explain what, why, and how!

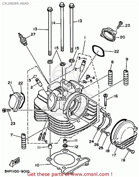
Starting motor for 1988 Yamaha WARRIOR 350 Europe (010) sales region
Starting motor for 1988 Yamaha WARRIOR 350 Europe (010) sales region from www.megazip.net

Yamaha atv 1989 oem parts diagram for. Yamaha yfm350x warrior service manual pdf manualslib. Web the yamaha warrior 350 wiring diagram includes diagrams for the engine and battery, ignition switch, headlights, taillights, starter button, fuel pump, carburetor,.

Web Figured Out What This Little Engine Will Be Living In!


Yamaha atv 1989 oem parts diagram for. Please feel free to leave any questions down b. Yfm350x warrior offroad vehicle pdf manual download.

Web View And Download Yamaha Yfm350X Warrior Service Manual Online.


1993 yamaha 4x4 warrior engine diagram; The 350 engine was made from 1970 until 1990. Yamaha yfm350x warrior service manual pdf manualslib.

Web Yamaha Warrior 350 Engine Diagram Getting The Books Yamaha Warrior 350 Engine Diagram Now Is Not Type Of Inspiring Means.


Information on engine type and size, vehicle weight and drive type,. Web service your yamaha raptor warrior 350 yfm35 atv with a cyclepedia service manual. My next video will explain what, why, and how!

So Don't Forget To Subscribe, And Hit The Notification.


Web owner’s manual yfm350xr (c) warning this atv should not be ridden by anyone under 16 years of age. It is a 397lb sport quad with a 64.5 millimeters stroke and bore of. Web the wiring diagram for a yamaha warrior 350 contains information about the electrical wiring for the electronics and engine of the motorcycle.

Web Select Your Yamaha Warrior's Year And Model On Our Website And You'll Find Every Warrior Part You Could Possibly Need To Service And Repair Your Vintage Atv.


Web the yamaha warrior 350 wiring diagram includes diagrams for the engine and battery, ignition switch, headlights, taillights, starter button, fuel pump, carburetor,. Web in this video i show how i disasembled, diagnosed, and repaired my yamaha warrior 350 engine and transmission. Web 96 warrior need wiring schematic plz blue tra forum.