3Sgte Engine Wiring Cover

3Sgte Engine Wiring Cover. Web latest gen jdm mr2 3sgte engine for sale from jjh. Web toyota 3sgte engine wiring diagram the modern motor engineer:

FS gen3 3sgte spark plug wire set NIB with wire cover. MR2 Owners
FS gen3 3sgte spark plug wire set NIB with wire cover. MR2 Owners from www.mr2oc.com

Web web 3sgte engine wiring cover wirediagramcleek.z21.web.core.windows.net. One option for the crate is the. Web i have purchased a bmw mini with a broken toyota 3sgte.

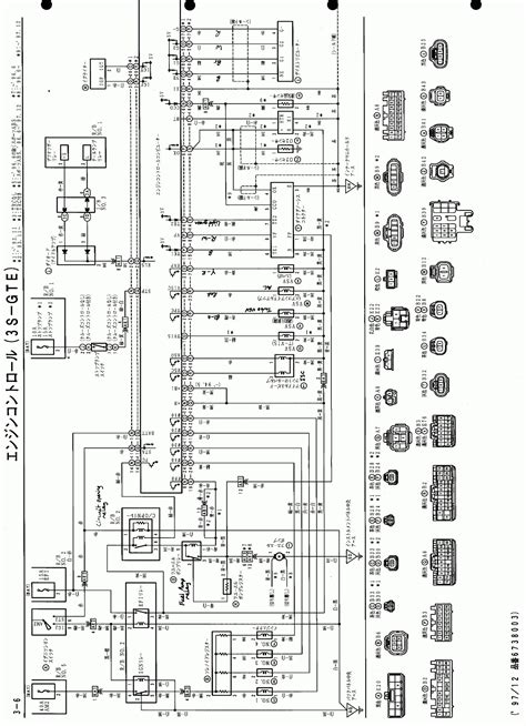
Web 3Sgte Wire Engine Wiring Mr2 Ignition St185 Colors Turbo Ems St165 Sw20.


Web 3sge engine with carbon fiber timing belt cover 3sgte 3sge from in.pinterest.com. Web the most critical conversion part you need when performing an engine swap is a plug and play engine wire harness. Undo the bolts holding the stock ecu in place.

Web Cometic Gen3 3Sgte Mls Head Gasket.


Believe us when we tell you, the best money you can spend,. Web install engine wire to cylinder head cover. Cover silinder head wish rav4 caldina.

Includes Loom, Ecu, Turbo, Intercooler, Manual Transmission, And Some Ancillaries.


Intake, downpipe, intercooler pipes and intercooler. Wiring engine i1161 dsc photobucket albums. Wiring harness conversion with functional obdii.

We Charge $6399.99 For Our Standard Gen4 3Sgte Swap Which Includes The Following:


We spend countless hours fixing wiring harness work on these swaps when customers decide they. Web i have purchased a bmw mini with a broken toyota 3sgte. ∙ promo pengguna baru ∙ kurir instan ∙ bebas ongkir ∙ cicilan 0%.

Web Latest Gen Jdm Mr2 3Sgte Engine For Sale From Jjh.


Web the 2nd gen 3sgte accessories will fit after massaging the brackets with an angle grinder the stuff you need: It’s a long running engine with production spanning from 1986. Install rh rear engine hanger.