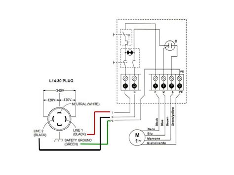
4 Pole Generator Plug Wiring

4 Pole Generator Plug Wiring. Web web on the other hand, a 4 pole generator has four rotating components, two sets of coils, and can use ac or direct current (dc) for its output. Web powertite™ series plugs, connectors and receptacles are our most versatile choice for ordinary and hazardous locations.

Yuken Directional Valve Wiring Diagram Download Wiring Diagram Sample
Yuken Directional Valve Wiring Diagram Download Wiring Diagram Sample from faceitsalon.com

First, never place the generator indoors or in a garage, as it generates carbon. Remove the back cover by taking off. Wire size requirements for the extension cords.

Web Powertite™ Series Plugs, Connectors And Receptacles Are Our Most Versatile Choice For Ordinary And Hazardous Locations.


Wire size requirements for the extension cords. Web unpack the generator by removing it from its protective cover. Web heath explains some of the ways that a portable generator can be professionally wired to a house.

Then There Are Two Options.


Remove the back cover by taking off. First, never place the generator indoors or in a garage, as it generates carbon. Number of poles 2, 3 or 4 number of wires 2, 3 or.

Now You Should Unscrew The Back Cover.


Remove the back cover by taking off the screws that. 4.7 out of 5 stars 1,754. Web web on the other hand, a 4 pole generator has four rotating components, two sets of coils, and can use ac or direct current (dc) for its output.

Web Electrical Ratings And Wiring Diagrams Of Common Outlets And Plugs For Portable Generators.


This will expose four leads. 40 amp rv extension cord.