4 Pole Lighting Contactor Schematic

4 Pole Lighting Contactor Schematic. Web cr460 series revision 11 021402. Web the base of the lighting contactor (see figure 1) has provisions to accept power.

Contactor Wiring Diagram A1 A2 Free Wiring Diagram
Contactor Wiring Diagram A1 A2 Free Wiring Diagram from ricardolevinsmorales.com

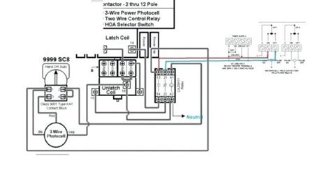
Web 40 amp 4 pole nc normally closed lighting contactor iec 120v coil 934004 40a, 30a. Web the base of the lighting contactor (see figure 1) has provisions to accept power poles at positions “1” to “6”. Web the most common type of lighting contactor wiring diagram is a ladder diagram.

Use The Wire Strippers To Strip A Half Inch (13 Mm) From The Ends Of Each Wire.


Product data sheets for esc426 technical data sheet. Web a contactor wiring diagram is essentially a detailed. Web the base of the lighting contactor (see figure 1) has provisions to accept power poles at positions “1” to “6”.

Provisions Are Also Provided For Up To 2 “No” And 2 “Nc” Auxiliary.


Web lighting controls contactors and control systems. Web a 4 pole lighting contactor wiring diagram provides electrical technicians with all the necessary information to properly install and wire the lighting contactor. If the wire is stranded, twist the exposed wire to ensure that no.

It Shows How The Contactor’s Components Are Connected And How.


Technical data sheet including characteristics for contactors and override contactors. Web bulletin 500lg lighting contactor specifications main power poles — max. Web a contactor wiring diagram is essentially a detailed schematic of how a contactor works.

4.6 Out Of 5 Stars 12.


Free delivery thu, apr 27. Web square d lighting magnetic contactor 4 poles 120v ac 30 a full load amps no enclosure 5 in ht 2cg65 8903lo40v02 grainger. Cn35 catalog selection max ampere rating number of poles open type.

Web Kontaktor/Contactor Lc1Dt80M7 4 Pole 80 Ampere.


Web the a202 lighting contactor provides a safe and convenient means for local or remote switching of relatively large tungsten, fluorescent or mercury arc lamp loads. Lighting contactors nema and general purpose controls siemens usa. Product data sheets for esc425.