40Hp 2 Stroke Engine Diagram

40Hp 2 Stroke Engine Diagram. Page 2 emu25060 zmu01690 read this owner’s manual carefully before operating your. Web view parts diagrams and shop online for 7043412tb :

Wiring Diagram 40 Hp Mercury Outboard Wiring Diagram and Schematic
Wiring Diagram 40 Hp Mercury Outboard Wiring Diagram and Schematic from wiring.hpricorpcom.com

View online or download johnson 2 stroke 40 horsepower operator's manual. Select engine section to view parts diagram & parts list. 67 camaro console wiring schematic;

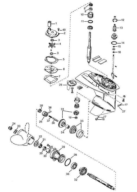
Web View Parts Diagrams And Shop Online For 70434117D :


Web view parts diagrams and shop online for 7043412tb : Offering discount prices on oem parts for over 50 years. 4 bit adder circuit diagram waveform;

67 Camaro Console Wiring Schematic;


Does the 2008 service manual contain the 40. 9.9, 15 hp 2 stroke (229 pages) outboard motor johnson j2r4suc 2007 service manual. Web yamaha outboard 40hp generator parts.

Web Guides You Could Enjoy Now Is 40Hp 2 Stroke Engine Diagram Pdf Below.


Engine specifiations for 7043412tb parts group: Page 2 emu25060 zmu01690 read this owner’s manual carefully before operating your. Web you could enjoy now is 40hp 2 stroke engine diagram pdf below.

Web Outboard Motor Johnson J10Rsur Service Manual.


Web 2010 yamaha 40 hp outboard motor: View online or download johnson 2 stroke 40 horsepower operator's manual. Owner manuals offer all the information to maintain your outboard motor.

2010 Yamaha 40Hp Four Stroke Fuel Injected:


Web johnson 2 stroke 40 horsepower pdf user manuals. 2010 yamaha 40 hp four stroke: Web mariner 40hp operation and maintenance manual from 1986.