48 Volt Charger Wiring Schematic

48 Volt Charger Wiring Schematic. Web browse through our collection of diy battery charger circuits, projects, and schematics. Ezgo powerwise chargers on 5506.

Make this 48V Automatic Battery Charger Circuit Circuit Diagram Centre
Make this 48V Automatic Battery Charger Circuit Circuit Diagram Centre from circuitdiagramcentre.blogspot.com

Web a yamaha 48 volt battery charger wiring diagram is a visual representation of the electrical connections that are made to the battery charger. Schematic diagram 48v battery charger regulator schematic diagram 48v automatic battery charger battery charger schematic 24v. Web shipping calculated at checkout.

Web A Club Car 48V Charger Wiring Diagram Can Help Provide The Answers To These Questions And Make Charging The Battery Much Easier.


36 volt ezgo powerwise qe golf cart. Web 24v battery charger schematic. Quiq standard dc output wiring guide;

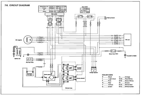
Web The Ezgo Txt 48 Volt Wiring Diagram Consists Of Several Components That Are Connected Together To Form The Complete Circuit.


Schematic diagram 48v battery charger regulator schematic diagram 48v automatic battery charger battery charger schematic 24v. Ezgo rxv danaher codes t shoot guide 2. Web i need a wiring diagram for my ez go golf carts 48 volt batteries today yes no.

This Circuit Is Then Connected To The Battery In Order.


48 volt golf cart battery wiring diagram club car ez go yamaha. I4818 ob eagle 48v 18. Web the lester 48 volt battery charger wiring diagram is an essential tool for anyone who needs to power a 48 volt battery system.

Web Yamaha 48 Volt Battery Charger Wiring Diagrams Are Essential For Anyone Looking To Ensure The Safety And Reliability Of Their Electrical System.


This kit is ideal for the replacement of existing battery wires and to keep vehicle batteries. Club car powerdrive chargers factory. Web browse through our collection of diy battery charger circuits, projects, and schematics.

Web When Looking At A Lester 48 Volt Battery Charger Wiring Diagram, There Are Several Components To Be Aware Of.


Web a yamaha 48 volt battery charger wiring diagram is a visual representation of the electrical connections that are made to the battery. Web eventually, these chargers are relocated and it becomes necessary to reset them for a different ac input voltage. Web the 48 volt charging plug is essentially a series of wires that are connected together to form a complete circuit.