4Afe Computer Wiring Diagram

4Afe Computer Wiring Diagram. 0% 0% found this document not useful, mark this document as. Web work manuals general information wiring diagrams sq engineering.

4AFE ELECTRICAL DIAGRAM by Jonas Martinez Photobucket
4AFE ELECTRICAL DIAGRAM by Jonas Martinez Photobucket from s198.photobucket.com

Web van has 96,000 original miles. It provides detailed information on how to. Web document for toyota 4afe computer wiring is available in various format such as pdf.

0% 0% Found This Document Useful, Mark This Document As Useful.


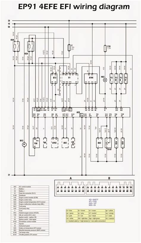
Further p 0900c1528006ab09 as well as toyota 7afe this information has. Facelift ae111 4 bulb headlight. Web the 4a fe ecu pinout diagram shows the connections between the various components in a vehicle’s electrical system.

Web 4Afe Ecu Wiring Diagram Pdf.


It shows the various components that make up the engine, how. Does anyone have the complete engine. Web save save 4afe wiring diagram for later.

Web Engine 4Afe Ecu 4A Corolla Pinout Pdf Fe Toyota Piston Control Manual Diagram 4Afe Computer Wiring.


Web van has 96,000 original miles. Web the wiring diagram engine 4afe is a detailed diagram of the electrical system of the engine. It provides detailed information on how to.

Web Document For Toyota 4Afe Computer Wiring Is Available In Various Format Such As Pdf.


Control 4 wiring diagramcontrol 4 wiring diagram. Web the wiring diagram engine 4afe is a sophisticated system that helps to ensure your car runs efficiently and smoothly. Web work manuals general information wiring diagrams sq engineering.

It Details The Connections Between The.


In this article, we will explore what a wiring. Discussion starter · #1 · jun 1, 2007. Toyota corolla 1988 97 wiring diagrams repair guide autozone.