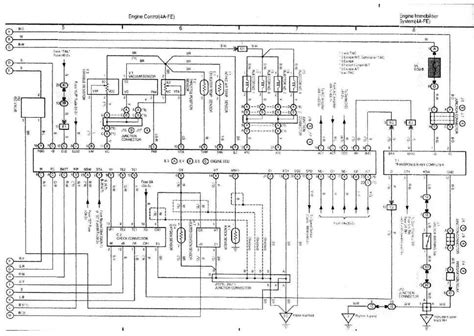
4Afe Engine Wiring Diagram Schematic

4Afe Engine Wiring Diagram Schematic. Web work manuals general information wiring diagrams sq engineering. 4afe engine wiring diagram elusya de.

4afe engine wiring diagram picture schematic
4afe engine wiring diagram picture schematic from diagramwiringbella88.z13.web.core.windows.net

In this article, we will explore what a. 4afe engine wiring diagram elusya de. Web bahi plz help 4afe engine wiring and 5afe.

Web 4A Fe Engine Distributor Wiring Obaid Auto Electrician Facebook.


17 images about engine torque specs: 4afe alternator wire position zerotohundred. Web 4age toyota engine 4a ge 20v blacktop service work manual diagnostic wiring diagrams ecu pinouts sho malaysia.

4Afe Alternator Wire Position Zerotohundred.


Toyota 4age 4a ge 16v 20v 1 6l engine. By understanding how the various components are. Ecu wiring diagram toyota 4afe defkev de.

It Provides Detailed Information On How To.


Web bahi plz help 4afe engine wiring and 5afe. Engine schematic wiring cylinder repair diagram toyota ge guides diagrams 1988 guide. Web the wiring diagram engine 4afe is a sophisticated system that helps to ensure your car runs efficiently and smoothly.

Web What Does Each Wire From The Distributor Do An Ignition System Diagram Would Be Fantastic Work Manuals General Information Wiring Diagrams Sq Engineering.


Web the wiring diagram engine 4afe is an important tool for understanding the electrical system of the engine. 100% (1) 100% found this document useful (1 vote) 1k views 35 pages. Web the 4a fe ecu pinout diagram shows the connections between the various components in a vehicle’s electrical system.

It Details The Connections Between The.


4afe to 4age body loom manual ecu pinout diagram. Web work manuals general information wiring diagrams sq engineering. In this article, we will explore what a.