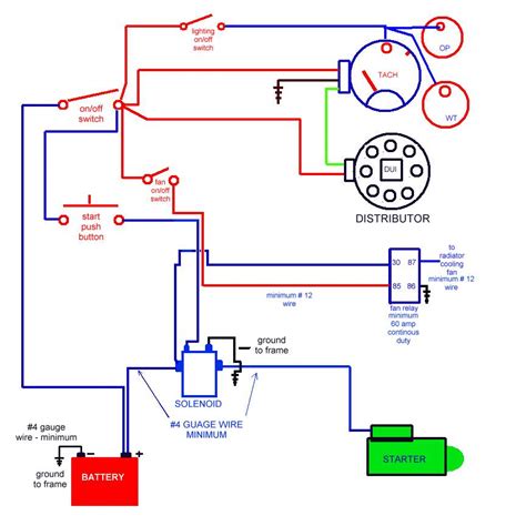
4K Engine Wiring Diagram

4K Engine Wiring Diagram. This maintenance typically includes the inspection of. Web thanks for watching.like share comment and subscribes.please follow us on our facebook page(kenkej autoelectrix)

[View 30+] Toyota 4k Ignition Coil Wiring Diagram
[View 30+] Toyota 4k Ignition Coil Wiring Diagram from moto-vespa-125-precio.blogspot.com

Web electrical wiring is a critical component of any car and it’s important to understand the basics of electrical wiring for toyota 4k engines. Engine fuel tool toyota corolla ke70r edkds ke70 ae71 te7 ce70 parts catalogs partsouq. Web wiring diagram for toyota 4k engine.

Web Thanks For Watching.like Share Comment And Subscribes.please Follow Us On Our Facebook Page(Kenkej Autoelectrix)


What does each wire from the distributor do. Web electrical wiring is a critical component of any car and it’s important to understand the basics of electrical wiring for toyota 4k engines. Web marking of toyota engines.

Engine Fuel Tool Toyota Corolla Ke70R Edkds Ke70 Ae71 Te7 Ce70 Parts Catalogs Partsouq.


A typical common rail sel fuel injection system scientific diagram. Web 2007 yaris electrical wiring diagram manualzz. Web supporting information engine fuel tool toyota corolla ke70r edkds ke70 ae71 te7 ce70 parts catalogs partsouq charging system pdf retro jdm 19100 74020.

You Can Access Cummins Owner’s Manuals And Wiring Diagrams For Engine Products By Esn With Our Engine Manual Lookup Tool.


Web the toyota 4k engine comes with a complex electrical wiring system that requires periodic maintenance. Web can i get the complete engine wiring diagram for a 2001 nissan gxe 1 8 liter. Web work manuals general information wiring diagrams sq engineering.

Wiring Diagram Engine Regulator Full 2022 Free 9Apps.


The first numeric characters indicate the engine block generation. Web 4age toyota engine 4a ge 20v blacktop service work manual diagnostic wiring diagrams ecu pinouts sho malaysia. Web depending on the type of engine that you have, you may need to use a range of different wiring systems.

October 9, 2021 By Jenny Fresh.


Club k home page standard 5k carb whats this thing powered by xmb 1 9 11. Distributor for toyota hilux yn107 auto. Toyota service manual k engine page 08 17.