53 Engine Wiring Diagram

53 Engine Wiring Diagram. Web symboldescription1ground 103 (g103)1ground 103 (g103)2engine. Web ten golden advantages of having 2007 ford f53 factory repair manual:

1953 Ford Jubilee Wiring Diagram
1953 Ford Jubilee Wiring Diagram from schematron.org

Web web 53 engine wiring diagram. Web select your ford f53 motorhome pdf download from the list below: · #2 · mar 18, 2013.

Web This Will Be My First Video Of Three Parts, Going Over The Harness Rework Steps For A 2003 5.3L Vortec Engine.


Web the manual describes the design of bmw x5 cars (e53 body), technical characteristics, detailed methods for diagnosing and repairing vehicle components and assemblies. 53 suzuki pdf manuals download for free! Mini wds (wiring diagram system) online access is available for diy mini owners here:

Click On Any Of These Wiring Diagrams Included In Smartdraw And Edit Them:.


Web ford truck f53 f59 wiring diagrams. Web find your ford owner manual here. Web symboldescription1ground 103 (g103)1ground 103 (g103)2engine.

Web Select Your Ford F53 Motorhome Pdf Download From The List Below:


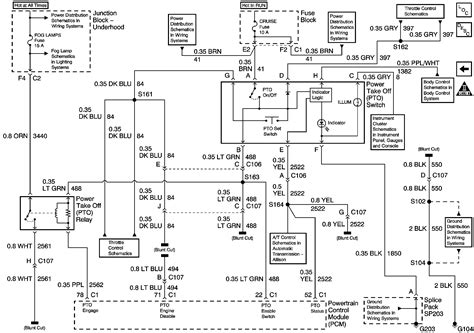
Web ten golden advantages of having 2007 ford f53 factory repair manual: Information is specific to your year make, model, engine and transmission type. Wiring for desired speed control determined by application.

Web Web 53 Engine Wiring Diagram.


Web the best way to understand wiring diagrams is to look at some examples of wiring diagrams. Bmw x5 e53 (2004 212 pages): Ford truck f53 f59 wiring diagrams size:

Take Detailed And Extensive Photos Of The Current Engine Wiring Harness, Connections, And Routing.


Use masking tape to label each relationship. Cummins maintenance & owners manuals; Print, read or download a pdf or browse an easy, online, clickable version.