55 Thunderbird Wiring Schematic

55 Thunderbird Wiring Schematic. Web 1955 (6 volt) & The diagram is for a 6 volt positive ground system.

1955 Ford Thunderbird Wiring Diagram Runtz Voltage Reducer I Change
1955 Ford Thunderbird Wiring Diagram Runtz Voltage Reducer I Change from pixoldham.blogspot.com

Free shipping over $300, fast delivery & everyday low pricing! 1957 diagram includes power windows, standard power seat & We source the largest inventory of high quality wiring and electrical parts for your thunderbird.

The 1956 Ford Thunderbird Wiring Schematic Was The Product Of Decades Of Innovation And Development.


Web 1955 (6 volt) & Web 1955 ford thunderbird color wiring diagram. Ford truck technical drawings and schematics section i electrical.

1956 (12 Volt) Diagrams Include Power Windows And Seat.


Web the 1956 ford thunderbird wiring schematic was once an enigma to automotive enthusiasts, but with the help of modern technology it is now a piece of cake. By studying the diagrams, one can gain a better understanding. Web the 55 ford t bird 6v generator wiring diagram is an integral part of the car’s electrical system.

Web Product Images May Differ From Actual Product Appearance.


Web 57 65 ford wiring diagrams. Web a comprehensive guide to the 1956 ford thunderbird wiring schematic the ford thunderbird is a classic vehicle that encapsulates style and muscle car. Free shipping over $300, fast delivery & everyday low pricing!

Web Attached Is The Radio Section Of My 1955 Thunderbird Wiring Diagram.


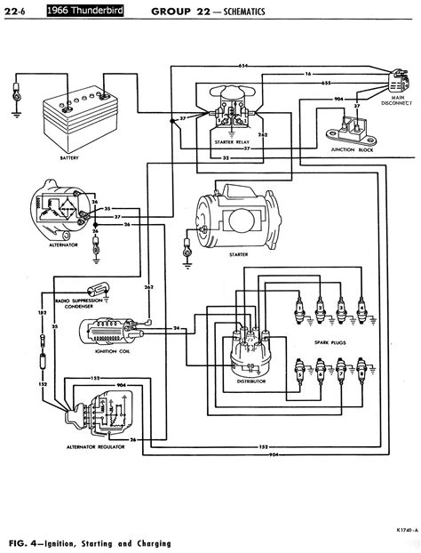
By understanding the basics of the wiring diagram and learning. It is a symbol of. Web the second section of the 1956 ford thunderbird wiring schematic is engine wiring, which includes diagrams for the ignition, engine control, and spark plug.

The Diagram Is For A 6 Volt Positive Ground System.


1957 diagram includes power windows, standard power seat & Thunderbird, 1955 thru 1955 view more. Complete basic car included (engine bay, interior and exterior lights, under dash harness, starter and ignition.