56 Chevy Ignition Switch Wiring

56 Chevy Ignition Switch Wiring. Web connect a jumper between ign1 and ign2 and run a 14 gauge wire from the jumper to the hei bat terminal. this was referring to a '56 chevy, i have a '57, not. To properly read a cabling diagram, one has to know how the components within the method operate.

56 bel air ignition switch wiring 1955 Chevy 1956 chevy
56 bel air ignition switch wiring 1955 Chevy 1956 chevy from www.trifive.com

To properly read a cabling diagram, one has to know how the components within the method operate. To complete the ruse it would be. Web pink 12 volt ignition.

To Complete The Ruse It Would Be.


55 chevy ignition switch wiring diagram 56 1955 schematic 59 truck fuse box for bel air 57 coil headlight wire harness. Web pink 12 volt ignition. Tse3.mm.bing.net 1956 chevy ignition switch wiring diagram source:

It’s Often A Red Wire That’s Thick And Constantly Energized.


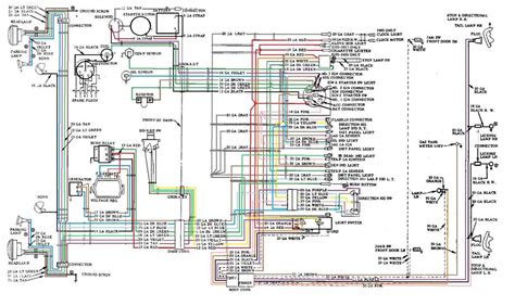
Web 1956 chevy ignition switch wiring diagram source: Start with the positive lead from the car battery going to the ignition switch. Attach the ignition wire to the “ign” terminal of the vehicle’s ignition switch.

1955 56 Chevy Headlight Switch.


To properly read a cabling diagram, one has to know how the components within the method operate. The central terminal serves the car’s ignition,. Web 1955 chevy car color wiring diagram.

1956 Chevy Bel Air Sedan Conditioning Kit 56 Ac.


Web 1956 chevy wiring diagram from st.hotrod.com. Web 1955 1957 all makes models parts cx1102 56 chevy bel air 150 210 truck ignition switch assembly various classic industries. Web connect a jumper between ign1 and ign2 and run a 14 gauge wire from the jumper to the hei bat terminal. this was referring to a '56 chevy, i have a '57, not.

For Example , When A.


Web 1955 56 chevy ignition switch.