56 Chevy Tail Light Wiring

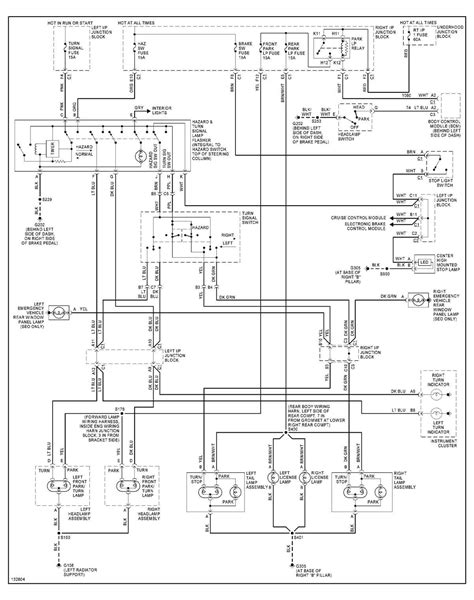
56 Chevy Tail Light Wiring. Web as promised, a short video and wiring schematic to wire stop turn and tail lights to dual filament bulbs (1157) using relays. Web get the best deals on tail light assemblies for 1956 chevrolet bel air with vintage part when you shop the largest online selection at ebay.com.

Tail light wireing harness question? 1955 Chevy 1956
Tail light wireing harness question? 1955 Chevy 1956 from www.trifive.com

The running and tail light is pin 3. 56 1956 chevy electrical wiring. Web the ford tail light wire contains 7 pins.

The Running And Tail Light Is Pin 3.


The white or ground wire is pin 1. Web in this video, i install the tail lights and rear bumper on the 57 chevy. Web dale berry spent 10 years rebuilding his '56 chevy bel air, replacing everything in the process.

Web Doesn'tound Like A 56 Tail Light Socket.


Web as promised, a short video and wiring schematic to wire stop turn and tail lights to dual filament bulbs (1157) using relays. 56 1956 chevy electrical wiring. Web 59 cadillac tail lights;

Web Get The Best Deals On Tail Light Assemblies For 1956 Chevrolet Bel Air With Vintage Part When You Shop The Largest Online Selection At Ebay.com.


Let’s find out the difference between. Free shipping on many items. Web though brake and tail lights are on the rear side of the vehicle and have the same external covering, they are not the same.

Web The Ford Tail Light Wire Contains 7 Pins.


The brake controller output or brake is pin 2. Web chevy wiring color code. Wide selection of new and used parts available.

Web Dakota Digital Tail Lights Include The Led Brake / Tail Light Modules, Wiring And Moisture Resistant Crimp On Connectors.


I have included the schematic f. The color coding of electrical wires of an automobile is essential because it specifies the function or purpose of every wire in all. The trick to all of this is using jam nut style standoffs on the tail light studs.