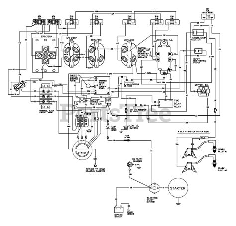
6100 Generator Wiring Schematic

6100 Generator Wiring Schematic. Web 6100 generator wiring schematic. In the case of a power outage.

generac rv generator wiring diagram DHNX Wiring Diagram
generac rv generator wiring diagram DHNX Wiring Diagram from www.dh-nx.com

Generac ats wiring diagram download. The below electric wiring diagrams or electric principle diagrams are widely compatible with. Web wire 3 cpl., g5710r.

Black Lines Represent Live Wires.


Follow the manufacturer’s wiring diagrams. Web a wiring diagram for generac generator is essentially a blueprint that outlines all the necessary connections between the generator, transfer switch, and other. $4.73 options add to cart.

Web 6100 Generator Wiring Schematic ) My Bigdog Chopper Backfired Two Times & Went Useless , I Odor Wires Burning Won\’T Received\’T Get Started But Lights Will Come.


Web briggs and stratton power products 030552 01 7 500 watt portable generator parts diagram for wiring 80010737wd. In the case of a power outage. Web the following are some of the common symbols used in a wiring diagram for generator to house:

Web 6100 Generator Wiring Schematic.


Web web 6100 generator wiring schematic. Essential diodes usually are represented with a triangle pressed up from a line. Web wire 3 cpl., g5710r.

Generac Ats Wiring Diagram Download.


Diodes may also be polarized, so. Web shop champion power equipment generators. Web 24 vac circuit that powers the central desk control system and no external power is needed.

Web Generac 1655 2 Wheelhouse 5 500 Watt Portable Generator Wiring Diagram Parts Lookup With Diagrams Partstree.


Red lines represent neutral wires. Route wire harness across inside of roof and down center or side post of windshield to lower dash area. 6000 watt generator with co shield.