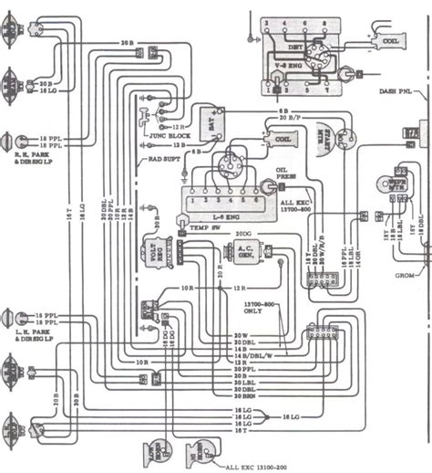
66 Chevelle Engine Wiring

66 Chevelle Engine Wiring. Harness from top switch to to motor. Web see all 31 photos.

Wiring Harness, Engine, 196566 Chevelle/El Camino, V8/Gauges
Wiring Harness, Engine, 196566 Chevelle/El Camino, V8/Gauges from www.opgi.com

Web see all 31 photos. Web the 1966 chevy chevelle wiring diagram is an important piece of auto history. Web 1966 chevelle engine wiring harness, 6 cyl., with warning lights and a/c part number:

Works Great For All 2 Speed Wiper Motors.


Web understanding your chevelle's wiper motor wiring diagram is the key to ensuring the safety and reliability of your vehicle. Web new american made engine harness for your chevelle, malibu, el camino. Web a comprehensive guide on 1966 chevy chevelle wiring diagrams.

Dave Miracle's 1966 Chevelle Received The Best Of Everything, Including This Built 496 Rat Motor.


Standard length, engine harness only, chevy,. Web find chevrolet chevelle wiring harnesses and get free shipping on orders over $109 at summit racing! Web see all 31 photos.

White Signal Wire From A Pulse Signal Generator [Sn16] I.


This wire harness goes from your windshield wiper motor and then. Made by american auto wire. Web a working wiring system is one of the most important safety features for your 1966 first generation chevelle.

Web New Printed Wiring Diagram To Help Wire Your Chevelle Or El Camino Product Videos.


I take back at least some of the epithets i hurled at photobucket. Web find 1966 chevrolet chevelle wiring harnesses and get free shipping on orders over $109 at summit racing! Connect the red power wire of the sn16 to the red wire of the gauge wire harness.

Web New Windshield Wiper Motor Wiring Harness For Your 66 Chevelle.


Web 1966 chevelle engine wiring harness, 6 cyl., with warning lights and a/c part number: The wiring diagrams in the 1966 chevy chevelle were made in the chevrolet parts and. Harness from top switch to to motor.