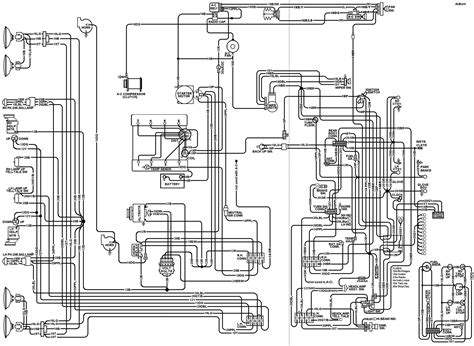
66 Corvette Wiring Schematic

66 Corvette Wiring Schematic. Web 66 corvette wiring schematic. Specializing in c2 chevrolet corvette parts since 1977.

1966 Corvette Headlight Wiring Diagram Collection Wiring Diagram Sample
1966 Corvette Headlight Wiring Diagram Collection Wiring Diagram Sample from faceitsalon.com

Web jegs wiring diagram for 1966 chevy corvette, 11 in. Web 66 corvette starter wiring diagram nice chevy corvette ignition switch tonetastic.info. Thesamba com type 2 wiring diagrams.

Jegs 19291 Wiring Diagram 1970 1971 Chevy Corvette 11 In X 17.


Web chevy wiring diagrams. Web 1966 corvette fuse diagram. With these diagrams, you can quickly and easily trace the entire wiring.

Web 66 Corvette Starter Wiring Diagram Nice Chevy Corvette Ignition Switch Tonetastic.info.


Specializing in c2 chevrolet corvette parts since 1977. Web corvette wiring diagrams. Web the wiring diagram for the c6 corvette is a crucial part of understanding the electrical system of this iconic american vehicle.

Web Jegs Wiring Diagram For 1966 Chevy Corvette, 11 In.


Wiring diagrams for breakerless ignition systems. Attach wire harness to the unit using wiring diagram. Larger photo email a friend.

Web 1963 Corvette Color Wiring Diagram 11 X 17.


Corvette color laminated wiring diagram 1953 1981 eckler s. Web 66 corvette wiring schematic. From tracking down failed components.

Web 1966 Corvette Diagram, Electrical Wiring 1966.


16 locate in the control sack. 1965 1966 corvette w backup lights dash main wiring harness fuse box. Web the c4 corvette wiring diagrams are a crucial tool for any corvette enthusiast.