67 Camaro Ignition Wiring Schematic

67 Camaro Ignition Wiring Schematic. Web camaro wiring 1967 problems buzzer re. Web 1967 chevy camaro color wiring diagram (includes r/s hideaway lights & console gauges) shipping calculated at checkout.

1967 Camaro Ignition Wiring Diagram Fab Lab
1967 Camaro Ignition Wiring Diagram Fab Lab from fab-labs.blogspot.com

Web lol larry t, jul 28, 2009. Web 1967 67 chevrolet camaro 1968 68 1969 69. Web 67 camaro ignition switch wiring diagram :

Wiring Diagram For 1967 Comaro Heater Hot Rod Forum.


93 toyota pickup wiring schematic diagram for carrier electric furnace wiring diagrams for payne. 1968 firebird camaro ignition wiring. The orig wire from the ing switch to the coil was.

Web Camaro Wiring 1967 Problems Buzzer Re.


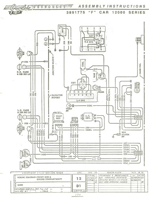
To properly read a cabling diagram, one has to learn how typically the components within the method operate. Web 67 rs headlight doors. Web hey everyone i have yet another question but this one concerns a 67 camaro ignition system from the wire harness on the firewall engine side.

· #2 · Sep 24, 2012.


Web 67 camaro ignition switch wiring diagram : Web 1967 service manual, fisher body. However, with a little bit of research, it becomes much easier to understand.

Web 24 Circuit Classic Plus Customizable 1967 68 Camaro Firebird Harness Painless Performance.


1968 camaro headlight switch wiring diagram. Exact fit for all 67 models. Complete basic car included (engine bay,.

Web 1967 67 Chevrolet Camaro 1968 68 1969 69.


Web with a 1967 chevy camaro wiring diagram pdf, you'll never have to worry about trying to decipher a wiring schematic or having to guess at which wire goes. It also includes detailed descriptions of. With the stock wiring on my 67, the power comes from the 12v+ terminal on the battery and the red cable is split to a 10 guage and a bigger guage wire.